(有)ショウエイ環境のメールお問い合わせフォームへのリンクを示す画像
(有)ショウエイ環境の電話番号を示す画像
(有)ショウエイ環境のエコアクション21認証を示すロゴ
産業廃棄物関連のロゴ
(有)ショウエイ環境のメイン画像

Intermediate processing

中間処理

中間処理とは

中間処理とは、産業廃棄物を最終処分もしくはリサイクルしやすいように減量化する工程です。産業廃棄物は主に収集運搬→中間処理→最終処分という工程で処理までを進めております。中間処理を行う施設(中間処理施設)では、受け取った産業廃棄物を種類ごとに選別したり、焼却や破砕、脱水等を行って減量化します。

中間処理の起源


排出事業者(中間処理業者が廃棄物を排出する場合も含む)は、電子マニフェストの登録日もしくは紙マニフェストの場合は交付日から原則90日以内(特別管理産業廃棄物の場合は60日以内とする)に、委託した産業廃棄物の中間処理(中間処理を経由せずに最終処分される場合も含む)が終了したことを、マニフェストにて確認する必要があります。また、中間処理を経由して最終処分される場合は、マニフェストに登録した日から180日以内に最終処分が終了したことを同様に確認する必要があります。排出事業者は上記の期限を過ぎても収集運搬業者、処分業者からの終了報告がない場合、委託した産業廃棄物の処理状況を把握した上で適切な措置を講ずるとともに、その旨を都道府県や自治体に報告しなければなりません。

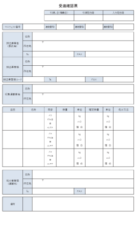
電子マニフェストの例→

中間処理に関する記事

リンクボタンの画像 リンクボタンの画像 リンクボタンの画像 リンクボタンの画像 リンクボタンの画像 リンクボタンの画像 リンクボタンの画像 リンクボタンの画像
・・・
お問い合わせ

お問い合わせ方法を選択してください